İçme suyu, atıksu arıtma ve terfi merkezleri için PLC, SCADA ve enerji verimli otomasyon çözümleri tasarlıyor, kuruyor ve sahada işletiyoruz. 10 yılı aşkın deneyim, 560'tan fazla saha istasyonu — tek bir merkezi platformdan.


Natura Otomasyon ve Yazılım Sistemleri olarak 10 yılı aşkın süredir su sektöründe hizmet vermekteyiz. Teknolojik gelişmeleri yakından takip ederek ülkemizdeki su sistemlerinin ihtiyaçlarına uygun, dayanıklı ve enerji verimli çözümler üretiyor; bu alanda araştırma ve geliştirme çalışmalarımızı sürdürüyoruz.
Natura Otomasyon ve Yazılım Sistemleri, tüm dünyaya teknolojik mühendislik hizmetleri sunmak ve teknolojiye yön verecek araştırma–geliştirme çalışmaları yapmak hedefiyle kurulmuştur. Endüstriyel otomasyon ve yazılım çözümlerini temel faaliyet alanı olarak belirleyerek, ülkemizin ihtiyaçlarını ve gelişmiş ülkelerin yöntemlerini göz önünde bulunduran çözümler üretiyoruz.
Projelerimizde kullandığımız ürünlerde kaliteden ödün vermemeyi ve sağladığımız mühendislik hizmetleri ile fark yaratmayı prensip edindik. Sahip olduğumuz proje yönetim kabiliyetini ve hizmet kalitesini, başarı ile tamamladığımız projelerden elde ettiğimiz kazanımlara ve dünyada kabul görmüş kalite standartlarına uygun çalışmamıza borçluyuz.
Kurulduğumuz günden bu yana bütçemizin büyük bir kısmını Ar-Ge çalışmalarına ayırıyoruz. Ticari başarılarımızı, insanlık için faydalı teknolojiler üretebileceğimiz Ar-Ge çalışmaları için bir araç olarak görüyor; ülkemizin teknolojinin kopyalandığı değil üretildiği bir coğrafya olabilmesi için üzerimize düşen sorumlulukları yerine getiriyoruz.
İnovasyon ve Kalite, Natura Otomasyon ve Yazılım Sistemleri'nin vizyonunu oluşturan temel değerlerdir. Gerçekleştirdiğimiz tüm projelerde sağladığımız katma değer ile farkındalık yaratıyor; kolay ve süregelenin değil, inovatif çözümlerin geliştiricisi olmayı tercih ediyoruz. Yürüttüğümüz projelerde dünyada bilinen markaların yüksek kaliteli ürünlerini kullanmaktan taviz vermiyoruz.
Ar-Ge, inovatif çözümlerimize ilham veren ve daima firmamızın merkezinde yer alan faaliyetimizdir. Bir mühendislik firması olarak personelimizi, müşterilerin isteklerini tam olarak yerine getiren, uzun yıllar sorun çıkarmayan sistemler kurma bilinciyle yetiştiriyoruz. Var olan sistemleri kopyalamayı bünyemizdeki mühendislere hakaret kabul ediyor; daima yenilikçi çözümler geliştirmeyi hedefliyoruz.
Natura Otomasyon ve Yazılım Sistemleri ruhunu farklı, olağan dışı fikirler üreten ekibinden alır. Ürettiğimiz tüm çözümlerde bu ruhun yansıması vardır — bu nedenle sunduğumuz çözümler daima ilgi çekici ve göz ardı edilemezdir. Sadece Türkiye'de değil, dünyada zirveyi hedefliyoruz.
Tasarımdan saha kurulumuna, SCADA yazılımından bakım hizmetine kadar su sistemlerinin her aşamasında çözüm üretiyoruz.
Havalandırma havuzları, blowerlar, pompalar, karıştırıcılar ve ölçüm ekipmanlarının entegre bir otomasyon yapısı altında merkezi kontrolü. Mevcut tesisler için modernizasyon, yeni tesisler için anahtar teslim çözümler.
Pompa istasyonları, seviye ölçüm ekipmanları ve enerji altyapılarının entegre yönetimi. Seviye kontrollü otomatik çalıştırma senaryoları ile taşkın riski ve enerji maliyetinde ciddi tasarruf.
Depo–terfi istasyonlarında pompalar ve seviye ekipmanlarının sürekli izlenmesi. Üst depo doluluk durumlarına göre dengeli ve enerji verimli pompa çalışması ile kesintisiz su temini.
Projelerimizde, dünya çapında kabul görmüş ve sahada kendini ispatlamış marka ve modellerden seçilmiş ekipmanlar kullanıyoruz.
Genesis64 ve GENESIS tabanlı endüstriyel SCADA, görselleştirme ve raporlama altyapısı.
SIMATIC S7-1200 / 1500 PLC'ler, SIMATIC HMI panelleri ve SCALANCE haberleşme cihazları.
VLT AQUA Drive frekans konvertörleri ile pompa uygulamalarında enerji verimli sürüş.
Endüstriyel kabinler, soğutma üniteleri ve modüler altyapı çözümleri.
Movicon.NExT tabanlı endüstriyel SCADA, HMI, veri toplama ve ileri seviye görselleştirme platformu.
Mevcut SCADA altyapısına entegre olan yapay zekâ destekli analitik katmanımız; şehir su şebekelerindeki kayıp ve kaçakları gerçek zamanlı olarak tespit eder, saha ekiplerini yüksek riskli noktalara yönlendirir.
1 milyon nüfuslu bir şehirde 300–500 depo terfi merkezi ve yüzlerce kilometre uzunluğunda iletim borusu bulunmaktadır. Yeraltı altyapısı nedeniyle kaçakların tespiti zorlaşmakta; şebekenin uzun süre devre dışı bırakılması operasyonel olarak mümkün olmamaktadır. Mevcut SCADA sistemi acil durum uyarıları üretse de hatanın kök nedenini otomatik analiz edememektedir.
Mevcut SCADA sistemi, yapay zekâ analitik katmanıyla entegre çalışabilir. Veri kaynakları: SCADA'dan anlık debi / basınç / seviye verileri, tüketici sayaç verileri, bakım–arıza–kesinti kayıtları. Tüm bu veriler anlık + geçmiş veri analizi yapan yapay zekâ destekli karar destek sistemiyle işlenir.
Her terfi merkezi için günlük tüketim eğrisi oluşturulur; beklenen ile gerçekleşen tüketim sürekli karşılaştırılır. Gece tüketimindeki olağandışı artışlar sürekli kayba işaret eder.
Bölgesel bazlı arz–tüketim takibi ve denkliği ile Distinct Metered Area (DMA) düzeyinde kayıp tespiti yapılır.
Gece minimum debi analizi ile sürekli ve gizli kayıplar erken aşamada ortaya çıkarılır. Düşük tüketim saatlerindeki sapma kayıp sinyali olarak değerlendirilir.
Basınç ve debi verileri arasındaki ilişki sürekli izlenerek anormal korelasyonlar saptanır; boru hasarları ve kaçak noktaları belirlenir.
Tespit edilen anomaliler otomatik olarak sınıflandırılır; patlak, sızıntı veya ölçüm hatası ayrımı yapılarak operatöre öncelikli alarm üretilir.
7/24 yapay zekâ destekli sürekli izleme ile hem anlık hem de uzun vadeli kayıp–kaçak örüntüleri raporlanır; saha müdahale kararlarına veri desteği sağlanır.
Erken Patlak Tespiti — Yeraltı hatları dahil anlık patlak ve kaçakların erken uyarısı ile su kaybı minimuma indirilir.
Gizli Kayıpların Ortaya Çıkarılması — Uzun süreli ve görünmez kayıp–kaçaklar anomali modeliyle tespit edilir.
Azaltılmış Yanlış Alarm — AI tabanlı sınıflandırma ile yanlış alarm oranlarında belirgin düşüş sağlanır.
Akıllı Saha Yönetimi — Ekipler düşük öncelikli noktalara değil, yüksek riskli alanlara yönlendirilir.
Operasyonel Maliyet Düşüşü — Toplam operasyonel maliyetlerde ölçülebilir azalma; doğal kaynakların korunması.
Mevcut SCADA'ya Entegrasyon — Altyapı değişikliği gerektirmeden mevcut sistem üzerine analitik katman eklenir.
SASKİ başta olmak üzere, on yılı aşkın süredir teslim ettiğimiz projelerden seçmeler.
Tasarladığımız SCADA arayüzlerinden ve sahaya kurduğumuz panolardan kareler.
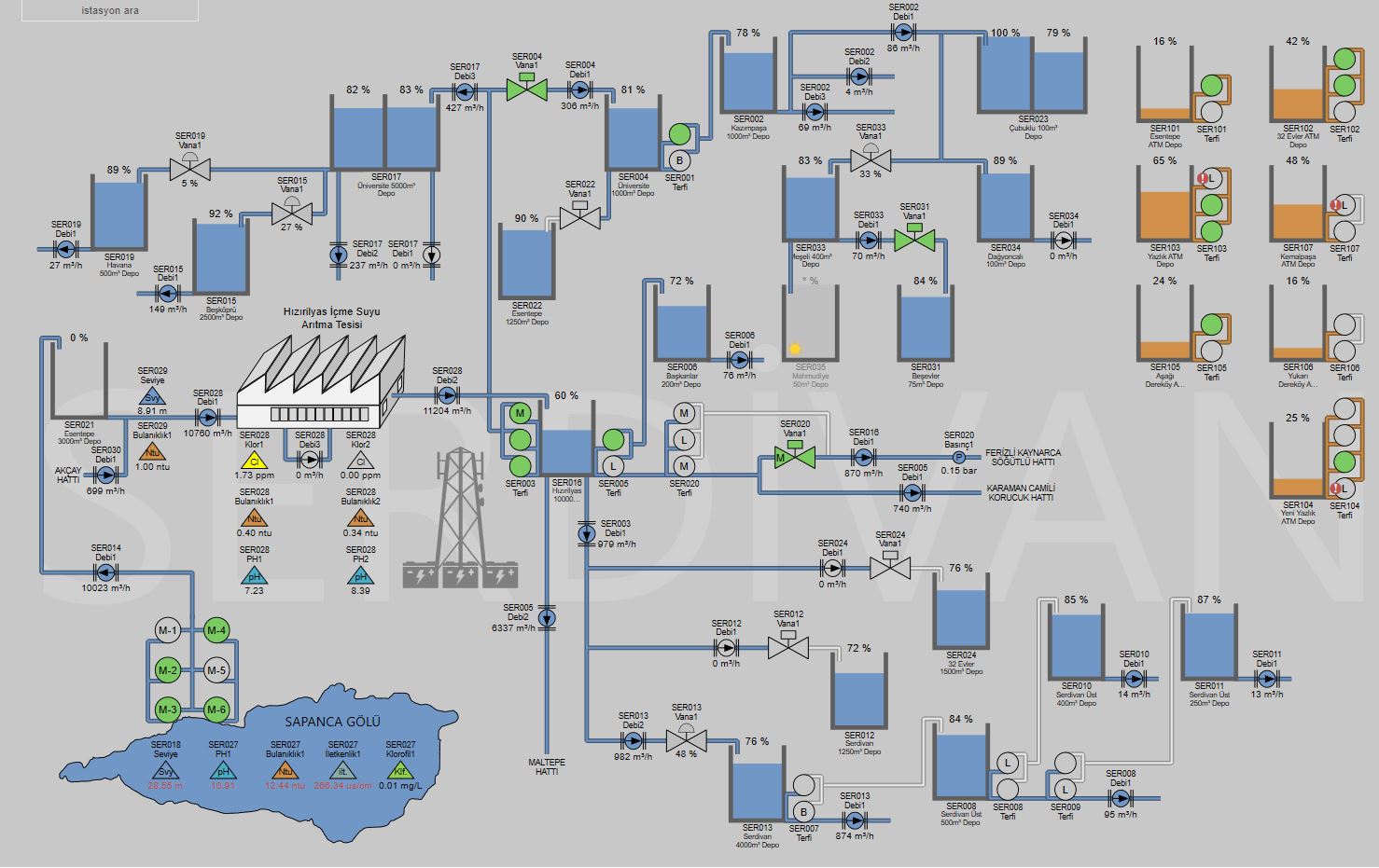
SASKİ Merkezi SCADA Ekranı
Terfi Merkezi Ekranı
Otomasyon Panosu — İç Görünüm
Pano Sırası — Devreye Alma
Saha Pano Kabinleri
Çoklu Tesis Genel Görünüm
SASKİ Pano Detayı
İçme Suyu Pano İçi
SIMATIC HMI + Danfoss Sürücü
Saha Kabini — KurulumBize ulaşın, su sistemleriniz için en uygun otomasyon çözümünü beraber kurgulayalım.
Merkez Mah. Abide-i Hürriyet Cad.
No: 211 İç Kapı No: 64
Şişli / İstanbul